Pay in advance and get your order afterwards
Payment via PayPal - easy, fast and secure.
Apple Pay is the payment method of the Apple company. This form of online bank transfer is only available on Apple devices (e.g. Mac, iPhone, iPad).
Debit and credit card payments are processed with the online payment service provider Mollie. Mollie supports all the world's leading credit card brands.
iDEAL is an online payment method that is only available in the Netherlands.
Pay directly from your bank account. Note: This payment method is not available in all countries. More in the footer under “Shipping & payment”.
Payment by invoice. Shopware provides automatic invoicing for all customers on orders after the first. This is to avoid defaults on payment.
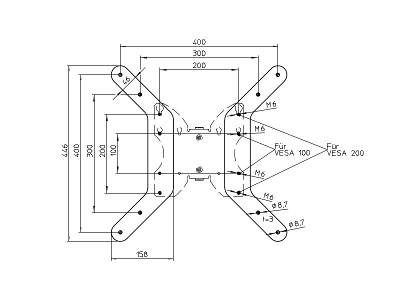
The Novus Vesa adapter plate 795+9105+000 enables the easy mounting of screens with the VESA mounting standard 300x300 to 400x400mm to monitor holders with a Vesa mount of 200x100 or 200x200mm.
Novus vesa adapter extension 200/100 to 400x400 (795+9105+000)
The Novus VESA adapter plate 795+9105+000 is a practical Vesa extension for attaching large screens to the mounting standard 200/100. The VESA extension can be mounted between any monitor mount with VESA standard 200x100 or 200x200mm and a TV with a Vesa mount from 300x300 to 400x400mm.
Key features vesa adapter extension 200/100 to 400x400
- Adapter plate for mounting between screen and monitor mount
- Extends the VESA standard 200/100 to 400x400mm
- VESA standard bracket: 200x100 or 200x200mm
- VESA standard screen: 300x300, 400x300 or 400x400mm
- 2-piece adapter set
- Finish: anthracite
VESA standard - Read more about the VESA standards of monitor brackets!
| Product sheet: | |
|---|---|
| Technical drawing: | |
| VESA Standard: | 300x300, 400x300, 400x400mm (www.vesa-standard.com) |
| Contains installation material: | + |
| Warranty: | 2 years |
| Manufacturer/Importer: | Novus Dahle GmbH, Breslauer Straße 34-38, 49808 Lingen (Ems), info@novus-dahle.com |
| Mobility: | fixed |
| color: | Anthrazit |
| VESA (in mm): | VESA 300x300, VESA 400x300, VESA 400x400 |
If warning and safety instructions are to be observed for a product, these can be found in the respective installation instructions or in a separate PDF, depending on the manufacturer. Available documents for the product can be found in the available PDF files (see above).
Download area - catalogs, flyers, warranty conditions, ...
0 of 0 reviews
Average rating of 0 out of 5 stars
Kunden kauften auch
Average rating of 0 out of 5 stars
Average rating of 0 out of 5 stars